MÍAR

Radioastronomía Amateur

Herramientas de usuario

Herramientas del sitio


blog:2017:0822_recepcion_al_limite

Recepción al límite

Tres semanas después regresamos donde recibimos los primeros ecos con el prototipo de antena Alpha. Durante las primeras horas del 22 de Agosto (las horas que aparecen en las capturas de patalla son en UTC) repetimos los ensayos de recepción con la antena LDV.

Sobre el espectro del HDSDR inicialmente no distinguimos ninguna señal directa… apenas unos trazos sospechosos.

Sin embargo en el waterfall del SpectrumLab y afinando bien logramos extraer, inconfundible, la señal de Alexandra. Evidentemente las condiciones de recepción no son idóneas. ¿Puede el abundante humo de los incendios cercanos introducir tanta atenuación en la señal directa?.

A esas horas de la noche, se percibía el paso de un avión, muy alto, por encima de nuestra ubicación. ¿Seremos capaces de registrar el eco de la señal?. En efecto, si nos fijamos en la parte superior del espectro, el eco aparece claramente registrado sobre la señal directa… y con una intensidad no muy inferior a la señal directa.

Al rato las trazas de señal se desvanecen por completo sobre el espectro del HDSDR… ¿será todavía visible en el SpectrumLab?…

¡Todavía es visible!, aunque muy débil, casi al límite de recepción. :-)

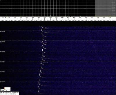
Veamos ahora unas capturas de señal que nos ha enviado Alfredo -EA1FBU- durante el pasado día 15. Su ubicación, cerca de Vigo, es muy buena para detectar ecos sobre aviones.

Estas capturas aparecen como “comprimidas” por que corresponden a períodos prolongados de escucha. Fijémonos en la siguiente captura, justo en la parte superior del waterfall, hacia la derecha, una brillante línea blanca horizontal. ¿Interferencia? ¿doppler de un objeto muy veloz? :-o

Podría dejar un comentario si estuviera logeado

Linkbacks

Use the following URL for manually sending trackbacks: https://miar.radiomakers.org/lib/plugins/linkback/exe/trackback.php/blog:2017:0822_recepcion_al_limite
blog/2017/0822_recepcion_al_limite.txt · Última modificación: 2018/06/07 17:57 por 127.0.0.1

Herramientas de la página